|
|
| |
準備編
|
 |
TOPページ > コンピューターROMチューン入門 > マイコン制御方法
概要:
以前完全自作のフルコンを約10年前?にArduinoで作成した。
そのプログラムを公開しようと探したら保管場所が見つからない。
なので、再度作ろうと思い調べると、オープンソースで作れることが判明。
そこで、Speeduino(オーストラリア)を使ってフルコン自作しようという企画。
|
| |
 |
|
https://speeduino.com/home/
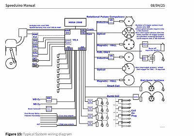
マニュアルを読むとどんなエンジンでも制御できそうなのでわくわくしてきます。
わくわくしてきたぞぉ ※孫悟空
レシプロの情報は多いがロータリーエンジンの制御方法は見つけられませんでした。
コミュニティを読み漁れば出てくるかも。ただ、あったとしても輸出用なのでねぇ。

で今回の作成テーマを発表します。じゃじゃ〜ん。
「FC3Sノーマルコンピューターと置き換えられるフルコンを作成します。」
前回ぺりエンジン制御プログラム(※当時のAnduinoの信号線が少なかった)でしたが、今回はFC3Sでいきます。
理由は!
・置き場所に困って近所の高校生にあげたFC3Sがあるので、テスト出来るし・・・・
・高橋亮介が乗っているし・・・・
・レッドサウンズだし・・・・
・FC3SはイニシャルD人気で白に塗られまくって販売されているし・・・・
まずは基板を注文。
ということで、上記のURLにあったオースタラリアに注文です。
今回購入できたのは v0.4.3d です。在庫が無かったため待たされました。
受注生産なんでしょうね。時代です。

じゃじゃーん。
高い!送料込みで27ドルです。
27ドル×145円=3915円 高!
円安!
円弱!
景気悪!
回路図も公開されている?(調べてません)なら、自分で基板注文するのもありかもしれません。
どうせ、中国で生産されているだろうしね。
この値段は考えさせられます。

そして部品ですが、さすがですサイトに部品リストが掲載されていました。
うーむデジキーばかりです。
デジキーはちょっと高いんだよね。

なので秋月電子Verを作成しました。
あと、いくつか部品の販売が終了していたので流用品を探してリンクを作りました。
また、残念ながらデジキーしか注文できないのもありました。
まだ、基板実施テスト前なので、私の作った部品リストは正しいのかわかりません。
なので公開しませんが、動作確認できたら公開したいと思います。
この電子工作の世界では、部品注文は1個注文は難しい(安すぎるので)の複数個注文になります。
そのため、ざっと5台分以上になる部品を注文して15000円ぐらいかかりました。

あと、製品完成版も販売されているようですね。
手間と金額を考えたら完成品を注文するのが頭が良いと思います。
ですが、私はチェンジニア(部品交換するだけの整備)が嫌いなので、完成品購入するだけならモーテックやハルテックなどのフルコン購入と変わらんので注文しません。
※いやいや変わるでしょ。→一人つっこみ一人ぼけ。
今回は、前回作成しようとしたレース用(ぺりエンジン)と違って、ノーマルコンピューターの代替を作るので、センサーも多いからプログラム作成は大変そう。
さて、次のやる気が出るのはいつのことでしょう!!!
|
|
 |
| |
|
|